Pasif ve aktif lifepo4 hücre dengelemeyle, aküdeki her hücre, sağlıklı bir şarj durumunu (SoC) korumak için izlenir. Bu, lityum hücrenin çevrim ömrünü uzatır ve aşırı şarj nedeniyle derin deşarj nedeniyle lityum hücresinin zarar görmesini önleyerek ek bir koruma katmanı sağlar. Pasif dengeleme, aşırı yükü bir boşaltma direncinde basitçe dağıtarak tüm pil hücrelerinin benzer bir SoC'ye sahip olmasını sağlar; ancak sistemin çalışma süresini uzatmaz ("Pasif Akü Hücresi Dengeleme" BMS yazımı okuyabilirsiniz). Aktif hücre dengeleme, şarj ve deşarj döngüleri sırasında şarjı lityum hücreleri arasında yeniden dağıtan, böylece pil kümesindeki toplam kullanılabilir şarjı artırarak, pasif dengelemeye kıyasla şarj süresini azaltarak ve üretilen ısıyı azaltarak sistem çalışma süresini artıran daha karmaşık bir dengeleme tekniğidir.
Deşarj Sırasında Aktif Hücre Dengeleme
Aşağıdaki şema, tüm hücrelerin tam kapasiteyle başlatıldığı tipik bir lityum hücre dizisini temsil etmektedir. Bu örnekte tam kapasite %90 şarj olarak gösterilmektedir çünkü pili uzun süre %100 kapasite noktasında veya yakınında tutmak kullanım ömrünü daha hızlı azaltır. %30, hücrelerin derin deşarjını önlemek için tamamen deşarjı temsil eder.

Zamanla bazı hücreler diğerlerinden daha zayıf hale gelecek ve bu da aşağıdaki şekilde gösterilen bir deşarj profiline yol açacaktır.

Birkaç aküde oldukça fazla kapasite kalsa da zayıf akülerin sistemin çalışma süresini sınırladığı görülmektedir. %5'lik bir pil uyumsuzluğu, kapasitenin %5'inin kullanılmamasına neden olur. Büyük lityum hücrelerde bu, kullanılmadan kalan aşırı miktarda enerji olabilir. Bu, uzak sistemlerde ve erişimi zor olan sistemlerde kritik hale gelir, çünkü hücrelerin şarj ve deşarj döngülerinin sayısında bir artışa neden olur, bu da lityum hücrenin ömrünü kısaltır ve daha sık akü değiştirmeyle bağlantılı olarak daha yüksek maliyetlere yol açar.
Aktif dengeleme ile şarj, daha güçlü hücrelerden daha zayıf hücrelere yeniden dağıtılır ve bu da tamamen tükenmiş bir hücre serisinin profiliyle sonuçlanır.

Aktif dengeleme sayesinde tam deşarj uğramış akü
Şarj Ederken Aktif Hücre Dengeleme
Akü hücrelerinin dengelemeden şarj ederken, zayıf hücreler daha güçlü akülerden önce tam kapasiteye ulaşır. Sınırlayıcı faktör yine zayıf hücrelerdir; bu durumda sistemimizin tutabileceği toplam şarj miktarını sınırlarlar. Aşağıdaki şemada bu sınırlamayla şarj işlemi gösterilmektedir.

Şarj döngüsü sırasında aktif dengeleme şarjı yeniden dağıtımı ile hücre bağlantıları tam kapasitesine ulaşabilir. Dengeleme için ayrılan zamanın
yüzdesi ve seçilen dengeleme akımının dengeleme süresi üzerindeki etkisi gibi faktörlerin burada gözardı ettiğimiz ancak önemli hususlar olduğunu unutmayın.
Aktif Hücre Dengeleyicileri
atakale, her cihazın farklı sistem gereksinimlerini hedef aldığı aktif hücre dengeleyicilerden oluşan bir ürün kullanıma sunmaktadır. LT8584, LTC680x çoklu kimya lityum hücresi monitörleri ailesiyle birlikte kullanılan, 2,5A deşarj akımına sahip, monolitik bir geri dönüş dönüştürücüsüdür; şarj, bir hücreden seri bağlı pillerin tepesine veya başka bir pil hücresine veya seri bağlı batarya içindeki hücre kombinasyonuna yeniden dağıtılabilir. Pil hücresi başına bir LT8584 kullanılır.
Pasif Balans BMS Nedir
Otomotiv ve taşımacılık pazarında, büyük akü sistemlerinde seri bağlı lityum hücreler ,İdeal durumda seri bağlı her bir pil/hücre sisteme eşit katkıda bulunur. Ancak hücreler söz konusu olduğunda tüm hücreler eşit şekilde üretilmemiştir. Aynı kimyaya sahip, aynı fiziksel boyut ve şekle sahip hücreler bile farklı toplam kapasitelere, farklı iç dirençlere, farklı kendi kendine deşarj oranlarına vb. sahip olabilir. Ayrıca, lityum hücreler ömrü denklemine başka bir değişken ekleyerek farklı şekilde yaşlanabilirler.
Bir akünün içindeki seri bağlı hücreler performansı, en düşük kapasiteli hücreyle sınırlıdır; En zayıf hücre tükendiğinde tüm seri bağlı etkili bir şekilde tükenir. Yığındaki her bir pil hücresinin sağlığı/şarj durumu, kalan şarjın hücre kapasitesine oranını ölçen şarj durumu (SoC) ölçümüne göre belirlenir. SoC, pilde kalan şarjı belirlemek için voltaj, entegre şarj ve deşarj akımları ve sıcaklık gibi pil ölçümlerini kullanır. Hassas tek çipli ve çok çipli pil yönetim sistemleri (BMS), seri bağlı pil performansını artırmak için pil izlemeyi (SoC ölçümleri dahil) pasif veya aktif hücre dengelemeyle birleştirir. Bu ölçümler şunları sağlar:
Hücre kapasitesinden bağımsız olarak sağlıklı akü şarj durumu
-Hücreler arası şarj uyumsuzluğunun en aza indirilmesi
-Hücre yaşlanmasının etkilerinin en aza indirilmesi (yaşlanma, kapasite kaybına neden olur)
-Pasif ve aktif hücre dengeleme, akü yığınına farklı avantajlar sunar ve üretimini yaptığımız, akü yönetimi ürün portföyümüzde her iki yöntem için de çözümler sunar. Öncelikle pasif dengelemeyi inceleyelim.
Pasif Dengeleme Tüm Hücrelerin Aynı Kapasiteye Sahip Görünmesini Sağlar
Başlangıçta,seri bağlı hücrelerin oldukça iyi eşleşen hücrelere sahip olabilir. Ancak zamanla şarj/deşarj döngüleri, yüksek sıcaklık ve genel yaşlanma nedeniyle hücre uyumu bozulur. Zayıf bir lityum hücresi, daha güçlü veya daha yüksek kapasiteli hücrelere göre daha hızlı şarj ve deşarj olur ve bu nedenle sistemin çalışma süresinde sınırlayıcı faktör haline gelir. Pasif dengeleme, yığının her hücrenin en zayıf hücreyle aynı kapasiteye sahipmiş gibi görünmesini sağlar. Nispeten düşük bir akım kullanarak, şarj döngüsü sırasında yüksek SoC hücrelerinden az miktarda enerji çeker, böylece tüm hücreler maksimum SoC'ye şarj olur. Bu, her akü hücresine paralel bir anahtar ve boşaltma direnci kullanılarak gerçekleştirilir.

Yüksek SoC hücresinin fazla voltajı alınır (güç dirençte dağıtılır), böylece tüm hücreler tamamen şarj olana kadar şarj işlemi devam edebilir.
Pasif dengeleme, tüm hücrelerin aynı SoC'ye sahip olmasını sağlar ancak hücrede çalışan sistemin çalışma süresini iyileştirmez. Hücrelerin dengelenmesi için oldukça düşük maliyetli bir yöntem sağlar ancak deşarj direnci nedeniyle süreçte enerji israfına neden olur. Pasif dengeleme aynı zamanda hücreden hücreye kendi kendine deşarj akımındaki uzun vadeli uyumsuzluğu da düzeltebilir.
Pasif Dengeleme Özellikli Çok Hücreli lityum hücre Monitörleri
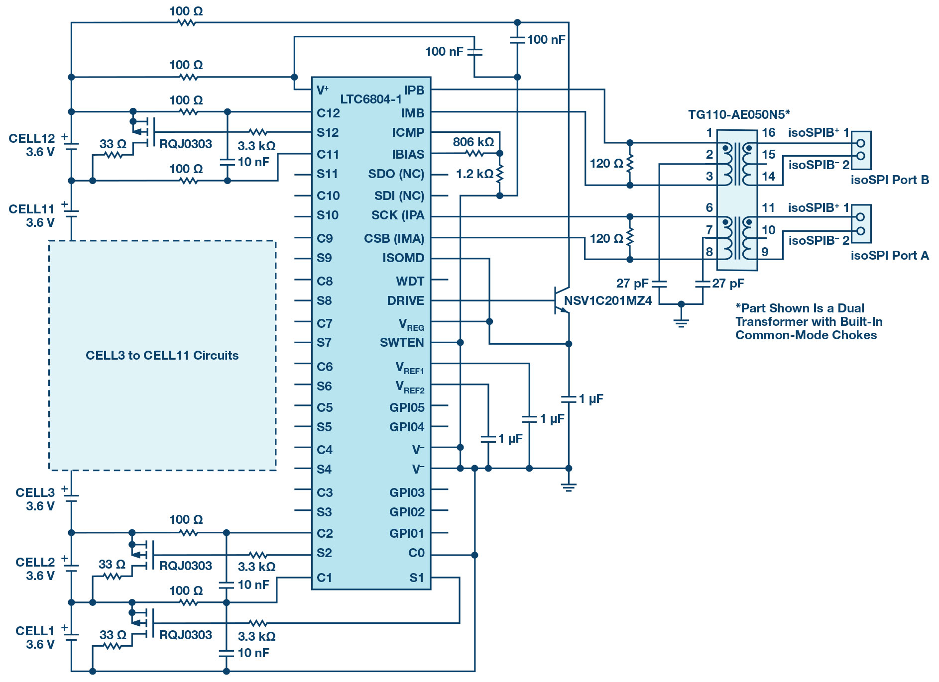
Atakale, pasif hücre dengelemeyi içeren çok hücreli hücre monitörleri ürün ailesine sahiptir. Bu cihazlar, yüzlerce hücrenin izlenmesine olanak tanıyan istiflenebilir bir mimariye sahiptir. Her cihaz, toplam ölçüm hatası 1,2 mV'den düşük olan 12 seriye kadar bağlı hücresini ölçer. Hücre başına 0 V ila 5 V ölçüm aralığı, onları çoğu akü kimyasına uygun hale getirir. LTC6804, Şekil 2'de gösterilmektedir.
